I posted previous blogs discussing the South Coast Air Quality Management District (SCAQMD) Regional Clean Air Incentives Market   RECLAIM program and the A&WMA/AQMD SOx Control Technology Conference held at Diamond Bar, CA on March 17th.  During the conference I participated as a panel member to present Envitech’s Ultra-Low SO2 scrubber design.  I will also be giving this presentation at the upcoming International Conference on Thermal Treatment Technologies (IT3) in Jacksonville, FL, May 10-13, 2011 and again at the Annual Air & Waste Management Conference in Orlando, FL June 21-24, 2011.  Envitech will have a booth at the IT3 conference.
 Management District (SCAQMD) Regional Clean Air Incentives Market   RECLAIM program and the A&WMA/AQMD SOx Control Technology Conference held at Diamond Bar, CA on March 17th.  During the conference I participated as a panel member to present Envitech’s Ultra-Low SO2 scrubber design.  I will also be giving this presentation at the upcoming International Conference on Thermal Treatment Technologies (IT3) in Jacksonville, FL, May 10-13, 2011 and again at the Annual Air & Waste Management Conference in Orlando, FL June 21-24, 2011.  Envitech will have a booth at the IT3 conference.
Below is an abstact for discussing the Ultra-Low SO2 scrubber design. You can click the icon below to download the paper.
High Efficiency SO2 Scrubber Design to Reduce Caustic Consumption
ABSTRACT
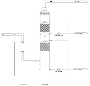
An industrial facility located in Southern California operates a thermal oxidizer to treat vapor recovery and waste gas streams containing sulfur compounds. The facility has an available source of alkali waste water which could be a potential scrubbing solution. Several technologies were evaluated to replace the existing control equipment for reducing SO2 emissions. Incentives exist for similar facilities with the South Coast Air Quality Management District (SCAQMD) Regional Clean Air Incentives Program (RECLAIM) to reduce SOx emissions below the facilities operating permit limits. The RECLAIM program is requiring plants to achieve less than 5 ppmv SO2 stack emissions and greater than 99% SO2 removal.
Plans are currently underway to replace the existing control equipment with a two stage packed bed scrubber system. This arrangement enables the plant to achieve very low emission limits and reduce caustic consumption by as much as 28% compared to a single stage scrubber. It also provides flexibility for future use of available alkali waste water to reduce caustic consumption by as much as 75% compared to a single stage caustic scrubber. This reduction will save an estimated $165,000 per year in operating cost. This paper will discuss the system design and how it achieves low outlet emissions while reducing overall chemical consumption. It will also discuss several other design considerations and benefits. The design approach provides a viable alternative for other Southern California facilities impacted by the SOx RECLAIM program as well as facilities in other regions.
Click on below icon to download whitepaper.


 
 